
Pillar-Type Current Transformer Series
The LZZBJ series pillar-type current transformer is a fully enclosed epoxy resin cast insulation current transformer, suitable for AC power systems with rated frequencies of 50Hz or 60Hz and rated voltages up to 10kV, 20kV, 35kV. It serves for current measurement, electrical energy metering, and relay protection.
Depending on current transformation ratios, accuracy classes, and rated burdens, this series of current transformers is divided into the following types. Specific parameters are detailed in the corresponding parameter tables for each model (Note: Customized current transformers with different specifications and parameters can be manufactured according to user requirements).
This type of transformer is a compact epoxy resin cast insulation fully enclosed pillar-type current transformer, suitable for AC power systems with a rated voltage of 10kV or below and a rated frequency of 50Hz or 60Hz. It is used for current measurement, electrical energy metering, and relay protection. The compact design saves space while facilitating transportation and installation.
Parameter Table

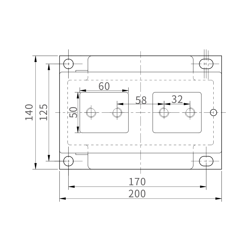
Outline Dimension Drawing



