
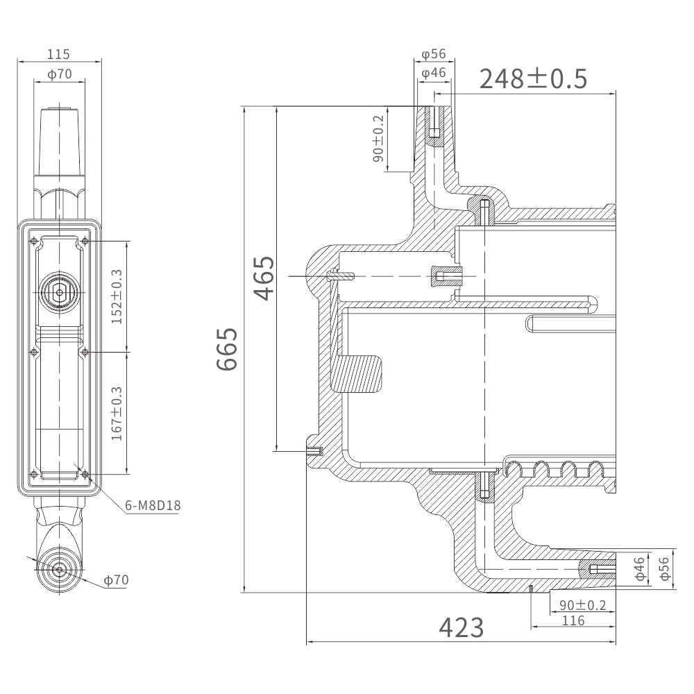
Suitable for circuit breaker units in bottom isolation scheme, and works in conjunction with unshielded busbar and shielded front connector.
?Characteristics
-This pole is designed according to the national standard requirements, and the product is suitable for a voltage of 12kV and a current of 630A and 1250A;
?Main Electrical Performance
?Dimensions and Figure

