
Applicable to underground transformers and conventional pad-mounted transformers, providing connection interfaces for 200A cable joints.
?Characteristics
? Designed in compliance with State Grid standardization requirements. This product is rated for 12KV voltage and 200A current.
? Installation method: Pressure plate mounting.
?Main Electrical Performance

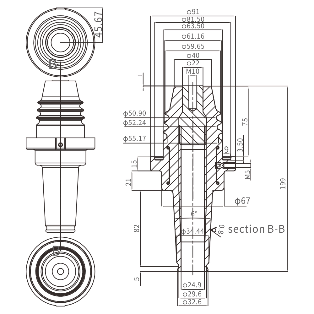
?Dimensions and Figure


