
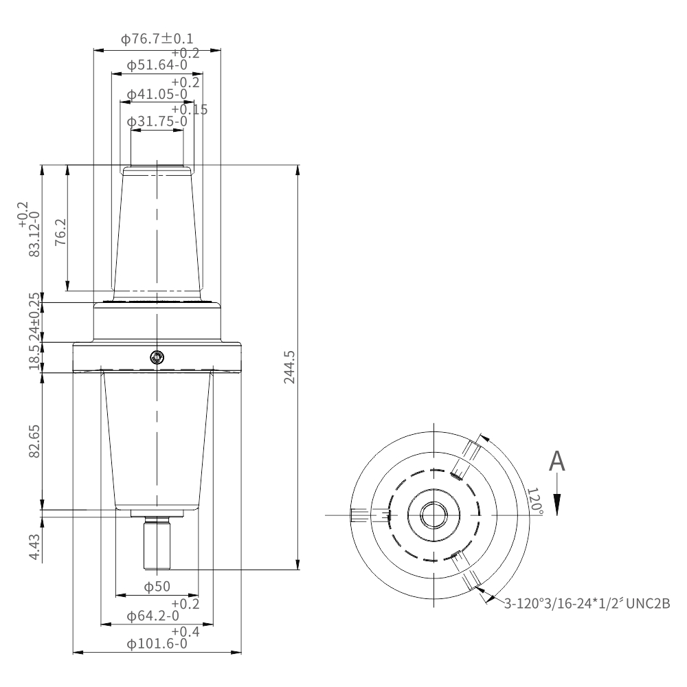
Transformer Bushing (American Type)
It is applicable to oil-immersed transformers and switchgear, featuring a copper current path with the insertion hole interface eliminated. Matched with products of the same specification, it can achieve a fully shielded and submersible load break connection.
Features
The bushing is structurally designed in accordance with international standards, with a rated voltage of 25kV and 35kV and a rated current of 600A applicable for this product.
Main Electrical Performance


